Process Engineers are able to manipulate and perform Process Design based on software and in-house spreadsheets
Process Engineers develop Process Flow Diagram (PFD), Piping & Instrument Diagram (P&ID), process datasheet of equipment from simulation results or from licensor’s supplied information.
STELLA ORIENT PTE LTD, established in 2016 by a group of experienced founders in energy and heavy industries, mainly focuses on Project Financing, Engineering Services for energy and heavy-duty industries and trading for chemicals and refining petroleum products. The company has a core team integrated from experienced personnel in the Trading-Commerce, Project Financing, and Project Engineering sectors.
Piping design team is able to perform:
- 3D model
- General and layout plan
- Piping arrangement
- Isometric drawings

Stella Orient are able to perform design for
- Design of API storage tanks
- Design of Pressure vessels and heat Exchangers
- Piping stress analysis
- Specification of equipment
- Process vessel re-rating
We follow the API/ASME code: API 650, ASME VIII division I, II…

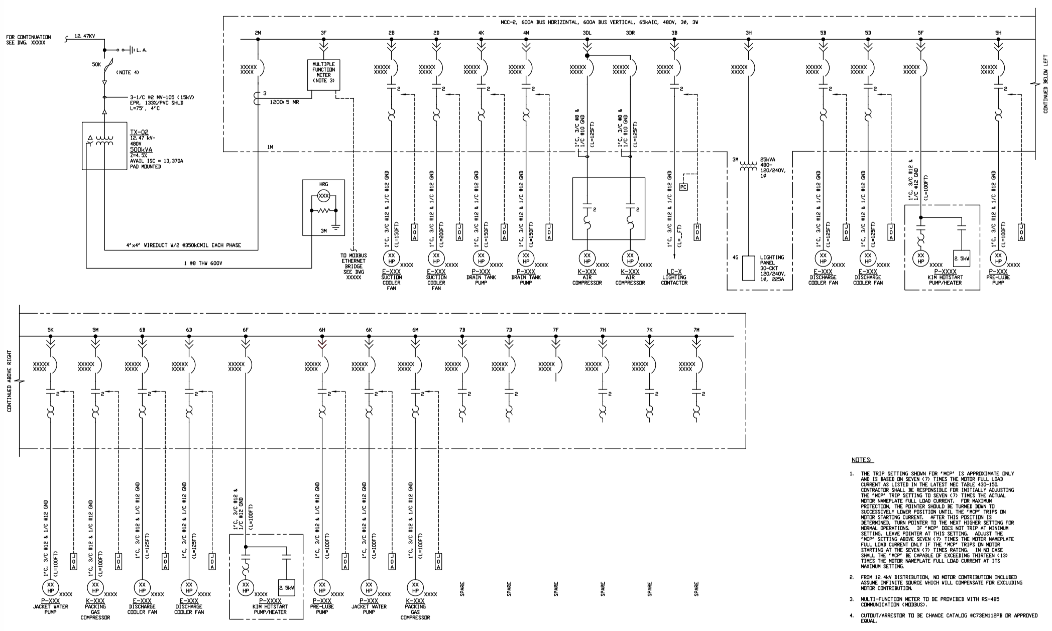
- Power & control systems design
- Electrical distribution networks (low and medium-voltage)
- Substations
- Electrical grounding, heating cables, and lighting systems
- Cables and conduits routing
- Area classification
- Equipment selection & specification
- Technical construction specification
- Design of control systems
- Specification of instruments
- Optimization and loop tuning

- Sourcing Support
- Pre-qualification, Bid & tender evaluation
- Contract, invoice & payment management
- Planning, tracking and Logistics follow-up
- Procurement expedition

A well-developed project and financing model will go a long way in getting a project off the ground. We provide financing advisory service, developing a fair and attractive deal structure and financial model to determine the appropriate valuation range necessary to qualify for competitive financing.

Determining the viability of a project even before contemplating the process to obtain financing and reaching a final investment decision is a critical first step. STELLA ORIENT PTE LTD and Project financing investors require a robust analysis of your project before financing commitments are provided.

